Hořák na pelety A85
Kód: H0033


Související produkty
Detailní popis produktu
Předepsané palivo: kvalitní dřevěné pelety (bílé) o průměru 6 až 8 mm, délce 10 až 25 mm a výhřevnosti 16 – 19 MJ.kg-1.
Displej hořáku: slouží k zobrazování aktuálního stavu hořáku a k nastavování jeho funkcí.
Řízení hořáku: elektronickou regulací AC07X (AC07), která ovládá chod externího dopravníku, dvou zapalovacích spirál a ventilátoru dle požadavků kotle a topného systému. Elektronika je jištěná bezpečnostním termostatem kotle, bezpečnostním termostatem na přívodu pelet do hořáku, snímačem otáček ventilátoru a fotocelou pro snímání plamene. Chod hořáku je signalizován na displeji elektronické regulace.
Připojení hořáku: hořák je osazen dvěma 6-kolíkovými konektory a zásuvkou pro externí šnekový dopravník
– první konektor slouží k napájení a silovému ovládání hořáku. Zároveň umožňuje ovládání dvou variabilních zařízení přímo z hořáku pomocí rezervy R a R2
– druhý konektor slouží k zapojené až čtyřech čidel TS, TV, TK a TSV
– zásuvka pro externí šnekový dopravník slouží pro ovládání dopravníku během provozu.
Dávkování paliva: externím šnekovým dopravníkem řízeným z elektronické regulace hořáku.
– Pro hořák A25 jsou určeny externí bezhřídelové dopravníky DA1500 o délce 1.5 m, DA2000 o délce 2 m a dopravník DA2500 o délce 2.5 m, všechny o průměru 75 mm.
– Pro hořák A45 jsou určeny externí hřídelové dopravníky DRA50 o délce 1.7 m, 2.5 m, 4 m a 5 m o průměru 80 mm, dále pak bezhřídelové dopravníky DA50 o délce 1.7 m a o průměru 90 mm.
Zapalování paliva: automatické za pomoci dvou elektrických zapalovacích spirál.
Základní funkce hořáku:
Možnost využití dvou rezervních výstupů R a R2 pro různé aplikace
Možnost zapojení čtyř různých čidel TS, TV, TK a TSV
TS – čidlo spodní na nádrži
TV – čidlo vrchní na nádrži
TK – čidlo kotle nebo prostřední čidlo na nádrži
TSV – čidlo spalin nebo solárního panelu
- řízení hořáku podle dvou teplot na vyrovnávací nádrži
- řízení ventilátoru kotle z hořáku za pomoci rezervního výstupu
- řízení kotlového čerpadla z hořáku za pomoci rezervního výstupu
- ovládání solárního systému přímo z hořáku
- automatický start hořáku po dohoření dřeva u kotlů DCxxSP
- zobrazování chybových hlášení pro snadnější řešení případných problémů
- možnost zobrazení informací o aktuálních hodnotách elektrických součástí hořáku
- možnost testování jednotlivých elektrických součástí hořáku

Hořák ATMOS A85
Hořák ATMOS A85 je určen pouze pro kvalitní bíle pelety z měkkého dřeva bez kůry
o průměru 6 - 8 mm, o délce 10 - 25 mm a výhřevnosti 16 - 19 MJ.kg-1.
Výhodou hořáku je automatické zapalovaní paliva pomocí žhavicí spirály,
která zapálí pelety kdykoli je potřeba zatopit.
Výkon hořáku: 24 - 80 kW
Hořák je v základu vybaven pneumatickým čištěním, které při každém dohoření nebo v pravidelných intervalech vyčisti spalovací komůrku hořáku. Diky pneumatickému čištěni postačí zkontrolovat, popřípadě vyčistit spalovací komůrku hořáku jednou za 14 dní až měsíc.
Hořák ATMOS A85 má stejný způsob řízení jako menší hořáky ATMOS A25 a A45.
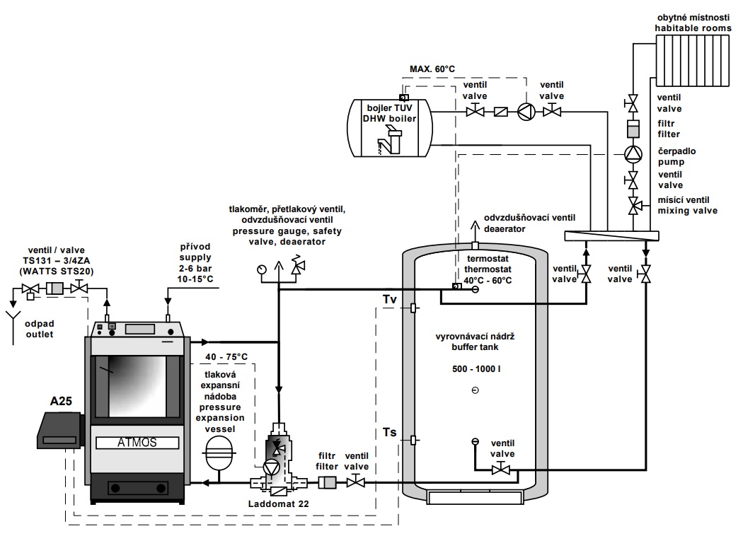
Kotel D80P s hořákem A85 vždy zapojíme s vyrovnávací nádrží o minimálním objemu 1000 l, kde využijeme funkci řízení hořáku podle dvou teplot na vyrovnávací nádrži a vládání odtahového ventilátoru kotle přímo z hořáku.
Elektronická řídící jednotka hořáku také ovládá odtahový ventilátor kotle, čerpadlo v kotlovém okruhu a nebo solární systém.
Elektronická jednotka hořáku umožňuje řídit provoz hořáku pomocí čtyř čidel tak, že pokud čidlo na solárním panelu zjistí,že je výhodné ohřívat vyrovnávací nádrž energií ze slunečního kolektoru, zajistí regulace hořáku.
Provoz hořáku funguje následovně:
V případě, že hořák dostane pokyn ke startu, nebo vznikne-li potřeba topit, nasype dopravník pelety do hubice hořáku a žhavící spirálou si je sám zapálí.
Po dostatečném rozhoření pelet najede hořák na nastavený výkon,v kterém setrvá do doby než je systém vytopen. Poté se hořák vypne a pelety v komůrce hořáku dohoří. Celý cyklus se v případě další potřeby vždy opakuje.
Výkon kotle a další funkce hořáku jsou řízeny elektronickou regulací hořáku, která umožňuje přizpůsobit chod kotle konkrétním podmínkám celého systému.
Doplňkové informace
Nezbytnou součástí k hořáku jsou dopravníky, které jsou vyráběny v různých délkách od 1,5 do 5 m. Pro hořák A25 jsou to bezhřídelové dopravníky DA a pro hořáky A45/A85 hřídelové dopravníky DRA.
Systémy na pelety vám doporučujeme vždy zapojit s vyrovnávací (akumulační) nádrží o objemu 500 – 1000 l. Toto zapojení umožní ovládat hořák pomocí dvou čidel TV a TS na vyrovnávací nádrži a uspoří vám palivo, elektrickou energii a zvýší životnost hořáku na pelety.

Doplňkové parametry
| Kategorie: | Hořáky na pelety |
|---|---|
| Záruka: | 2 roky |
| Hmotnost: | 46 kg |
| Výkon: | 27 - 89 kW |
| Průměr pelet: | 6-8 mm |
| Délka pelet: | 10-25 mm |
| Napájení: | 230 V |
Hodnocení produktu
Buďte první, kdo napíše příspěvek k této položce.
Pouze registrovaní uživatelé mohou vkládat hodnocení. Prosím přihlaste se nebo se registrujte.
Diskuze
Buďte první, kdo napíše příspěvek k této položce.
Firma ATMOS
Atmos je rodinná česká firma a v současnosti jeden z největších evropských výrobců kotlů na pevná (tuhá) paliva. Firma exportuje více než 60 % své produkce do zahraničí, především do Německa, Rakouska, Švédska, Itálie, Francie, Rumunska, Polska, Bulharska, Dánska, Slovenska, Litvy, Lotyšska, Ukrajiny, Běloruska, Španělska, Velké Británie atd.
Sortiment zahrnuje kotle na pevná (tuhá) paliva, zplynovací kotle na dřevo od 15 do 150 kW, zplynovací kotle na hnědé uhlí (a dřevo) od 16 do 48 kW, zplynovací kotel na hnědouhelné brikety a černé uhlí o výkonu 16 a 26 kW, automatické kotle na pelety od 4,5 do 80 kW a kombinované kotle na zplynování dřeva v kombinaci s hořákem na pelety ve výkonech od 20 do 35 kW. Výrobky firmy Atmos vzbudily velký zájem mezi uživateli topícími dřevem a instalatéry, pro svou dobrou funkčnost, kvalitu a v neposlední řadě, velice příznivou cenu.

