ATMOS DC 30 SPX
Kód: 0184


Související produkty
Detailní popis produktu
Kombinovaný kotel na dřevo a pelety
Řada kombi kotlů ATMOS DC18SP, DC25SP, DC30SPX, DC32SP umožňuje ekologické spalování dřeva na principu generátorového zplynování v kombinaci s hořákem na pelety. Kotel umožňuje střídání paliv, ruční topení dřevem a plně automatické topení peletami. V případě potřeby lze samozřejmě, koupit kotel bez hořáku, s tím, že si jej zákazník pořídí později anebo jej použije z minulého kotle.
Kotel je konstruován jako těleso se třemi nad sebou posazenými komorami. Vrchní dvě komory slouží ke zplynování dřeva, tak jak to známe u klasických zplynovacích kotlů, které vyrábíme standardně. Třetí, nejspodnější komora je zepředu osazena požadovaným hořákem a vyložena keramikou pro optimální kvalitu spalování. Spalovací systémy jsou od sebe odděleny vodním pláštěm, navzájem se tak příliš neovlivňují, a tím dosahuje kotel vysoké účinnosti při topení jednotlivými palivy. Odvod spalin do komína je řešen jedním výstupním hrdlem, a proto si vystačíme s jedním komínem.
Účinnost kotle dle typu je 88,9 - 92,5 %
Výhody kotlů ATMOS
- možná kombinace jednotlivých druhů paliv – střídání paliva bez úprav na kotli dřevo + pelety
- vysoká účinnost při jednotlivých palivech – prakticky stejná jako u speciálních kotlů na pelety (až 92,3 % při jmenovitém výkonu)
- levnější řešení – sečteme-li náklady na pořízení dvou kotlů, jejich zapojení a odkouření (komín) zjistíme, že jeden kotel ač dražší je ekonomicky výhodnější
- malý zastavěný prostor – oproti více kotlům
- jeden komín a kouřovod
- ekologický provoz – kotel dle ČSN EN 303-5 třídy 5, EKODESIGN 2015/1189
- dotovaný kotel
- možnost volby dvířek levá/pravá
- kotel je vybaven funkcí automatického startu hořáku na pelety po dohoření dřeva
Instalace
- Kotel s kompaktním zásobníkem AZPD a pneumatickou dopravou APS250S
- Kotel DCxxSP se standardním zásobníkem na pelety 500 l
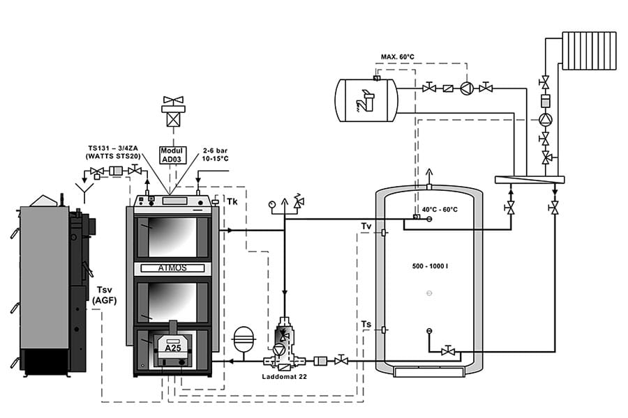
Doporučeným zapojením je zapojení kotle s Laddomatem 22 nebo termoregulačním ventilem s vyrovnávací nádrží o objemu 500 až 1000 l. Další možností je instalace kotle s akumulačními nádržemi o potřebném objemu (např. 2000 l), které navíc umožňují vytápění akumulace elektřinou nebo připojení solárních panelů.
Regulace kotlů
Provoz kotle je řízen zcela automaticky na požadovanou výstupní teplotu vody, tak aby byla zajištěna co nejvyšší účinnost kotle a nejlepší kvalita spalování. K tomu slouží:
- Regulátor tahu HONEYWELL
- Kotlový (regulační) termostat
- Spalinový termostat
- Termostat na čerpadlo
- Hlavní vypínač a přepínací vypínač provozu kotle
Kotle a hořáky DCxxSP/SPX jsou v provedení (model od 2018) vybaveny funkcí automatického uzavření nebo otevření přívodu vzduchu do kotle/hořáku, pomocí servopohonu, při topení dřevem nebo peletami.
Kotle jsou vybaveny čidlem teploty spalin AGF2 a čidlem teploty vody kotle KTF20 pro funkci automatického startu hořáku po dohoření dřeva. Dále jsou kotle vybaveny dvěma čidly (TV a TS) KTF20 pro ovládání hořáku podle dvou teplot na akumulační nádrži. Celý komplet je tak prodáván v maximální výbavě, pro plně automatický režim a jednoduchou instalaci „plug and play“.
- Regulátor tahu FR 124
- Odtahový ventilátor a kouřové hrdlo
- Servopohon BELIMO a vzduchová regulační klapka
Ovládací panel se standartní regulací
Složení panelu:
Hlavní vypínač, bezpečnostní termostat, teploměr, regulační termostat a spalinový termostat
Elektromechanická regulace je optimálním řešením řízení provozu kotle (ventilátoru) jednoduchým způsobem. Provedení panelu se standartní regulací je základním provedením pro všechny vyráběné kotle.
Regulace ACD 03
Každý kotel je možné dovybavit moderní dotykovou elektronickou regulací ATMOS ACD 03 pro řízení celého topného systému v závislosti na venkovní teplotě, pokojové teplotě a čase. Tato regulace je schopna řídit i samotný kotel s ventilátorem s mnoha dalšími funkcemi.
Ovládací panel kotle s ekvitermní regulací ATMOS ACD 03
Technické informace
Nákres pro kotle DCxxSP/SPX
| Legenda k nákresu kotle | |||
| 1. | Těleso kotle | 25. | Výplň dvířek – Sibral |
| 2. | Dvířka plnící (vrchní) | 26. | Těsnění dvířek – šňůra 18 x 18 |
| 3. | Dvířka popelníková (prostřední) | 27. | Žáruvzdorná tvarovka – půlměsíc (clona dvířek) |
| 4. | Odtahový ventilátor | 28. | Hořák na pelety ATMOS A25 |
| 5. | Žáruvzdorná tvarovka – tryska | 29. | Regulace primárního vzduchu |
| 6. | Ovládací panel | 30. | Regulace sekundárního vzduchu |
| 7. | Bezpečnostní termostat (Pozor – při přetopení nutno zamáčknout) | 31. | Žáruvzdorná tvarovka – kul. prostor – (dřevo) |
| 8. | Regulační klapka | 32. | Žáruvzdorná tvarovka – zadní čelo kul. prostoru – (dřevo) |
| 9. | Žáruvzdorná tvarovka – prodloužení kulového prostoru – (pelety) | 33. | Termostat na čerpadlo |
| 10. | Žáruvzdorná tvarovka – kulový prostor – (pelety) | 34. | Pojistka (6,3A) T6,3A/1500 – typ H |
| 11. | Těsnění trysky – 12 x 12 | 35. | Spalinový termostat |
| 12. | Dvířka – pro hořák na pelety (spodní) | 36. | Přepínací vypínač I-0-II |
| 13. | Roztápěcí záklopka | 37. | Koncový spínač s tlačítkem |
| 14. | Žáruvzdorná tvarovka – zadní čelo kulového prostoru – (pelety) | 38. | Kondenzátor pro odtahový ventilátor – 1 μF |
| 15. | Čistící víčko | 39. | Sibralové těsnění pod hořák |
| 16. | Clona | 40. | Měřící místo pro analyzátor spalin |
| 17. | Táhlo zatápěcí záklopky | 41. | Servopohon Belimo s klapkou |
| 18. | Teploměr | ||
| 19. | Clona rámečku | ||
| 20. | Vypínač s kontrolkou | K | – hrdlo kouřovodu |
| 21. | Brzdič (pouze DC30SPX) | L | – výstup vody z kotle |
| 22. | Regulátor výkonu – Honeywell FR 124 | M | – vstup vody do kotle |
| 23. | Chladící smyčka proti přetopení | N | – nátrubek pro napouštěcí kohout |
| 24. | Regulační termostat | P | – nátrubek pro čidlo ventilu ovládajícího chladící smyčku (TS 131, STS 20) |
| Rozměry kotlů |
||||
| DC18SP | DC25SP | DC30SPX | DC32SP | |
| A | 1665 | 1665 | 1665 | 1742 |
| B | 757 | 957 | 957 | 957 |
| C | 643 | 643 | 643 | 678 |
| D | 1375 | 1375 | 1375 | 1448 |
| E | 150/152 | 150/152 | 150/152 | 150/152 |
| F | 65 | 65 | 65 | 70 |
| G | 207 | 207 | 207 | 184 |
| H | 1436 | 1436 | 1436 | 1507 |
| CH | 212 | 212 | 212 | 212 |
| I | 212 | 212 | 212 | 212 |
| J | 6/4″ | 6/4″ | 6/4″ | 6/4″ |
Hořák
Používaný hořák na pelety pro kotle DC18SP, DC25SP, DC30SPX, DC32SP
HOŘÁK NA PELETY ATMOS A25 (pro modely DCxxSP/SPX) – Kód: H0048
Hořáky v provedení pro modely DCxxSP/SPX) jsou vybaveny funkcí automatického uzavření nebo otevření přívodu vzduchu do hořáku, pomocí servopohonu, při topení dřevem nebo peletami.
Předepsané palivo: kvalitní dřevěné pelety (bílé) o průměru 6 až 8 mm, délce 5 až 25 mm a výhřevnosti 16 – 19 MJ.kg-1.
Displej hořáku: slouží k zobrazení aktuálního stavu hořáku a k nastavení jeho funkcí
Řízení hořáku: elektronická regulace AC07X, která ovládá chod externího dopravníku, dvou zapalovacích spirál a ventilátoru dle požadavků kotle a topného systému. Elektronika je jištěná bezpečnostním termostatem kotle, bezpečnostním termostatem na přívodu pelet do hořáku, snímačem otáček ventilátoru a fotocelou pro snímání plamene. Chod hořáku je signalizován na displeji elektronické regulaci.
Zapalování paliva: automatické za pomoci dvou elektrických zapalovacích spirál.
Základní funkce hořáku:
Možnost využití dvou rezervních výstupů R a R2 pro různé aplikace
Možnost zapojení čtyř různých čidel TS, TV, TK a TSV
TS – čidlo spodní na nádrži
TV – čidlo vrchní na nádrži
TK – čidlo kotle nebo prostřední čidlo na nádrži
TSV – čidlo spalin nebo solárního panelu
- řízení hořáku podle dvou teplot na vyrovnávací nádrži
- řízení ventilátoru kotle z hořáku za pomoci rezervního výstupu
- řízení kotlového čerpadla z hořáku za pomoci rezervního výstupu
- ovládání solárního systému přímo z hořáku
- automatický startu hořáku po dohoření dřeva u kotlů DCxxSP/SPX
Hořáky jsou určeny pouze pro kvalitní bílé pelety z měkkého dřeva bez kůry o průměru 6 – 8 mm, o délce 10 – 25 mm a výhřevnosti 16 – 19 MJ.kg-1. Hořák není určen pro pelety, které se spékají ve spalovací komůrce hořáku. V takovém případě je nutné spalovací komůrku hořáku čistit jednou denně
Pro hořák ATMOS A25 jsou určeny tyto dopravníky:
- Šnekový dopravník pro hořák ATMOS A25 – DA1500 o délce 1,5 m a průměru 75 mm
- Šnekový dopravník pro hořák ATMOS A25 – DA2000 o délce 2 m a průměru 75 mm
- Šnekový dopravník pro hořák ATMOS A25 – DA2500 o délce 2,5 m a průměru 75 mm
- Šnekový dopravník pro hořák ATMOS A25 – DA3000 o délce 3 m a průměru 75 mm
- Šnekový dopravník pro hořák ATMOS A25 – DA4000 o délce 4 m a průměru 75 mm
Ke stažení:
Doplňkové parametry
| Kategorie: | Zplynovací kotle na dřevo |
|---|---|
| Záruka: | 2 roky |
| Hmotnost: | 537 kg |
| Výrobce: | Atmos |
| Typ kotle: | ATMOS DC 30 SPX |
| ? Třída kotle dle ČSN EN 303-5: | 5 |
| ? EKODESIGN: | Ano |
| Třída energetické účinnosti: | A+ |
| Jmenovitý výkon pro pelety: | 20 kW |
| Jmenovitý výkon pro dřevo: | 30 kW |
| Účinnost při jmenovitém výkonu u pelet: | 91,2 % |
| Účinnost při jmenovitém výkonu u dřeva: | 89,9 % |
| Objem palivové šachty: | 100 l |
| Rozměr plnícího otvoru: | 450x260 mm |
| Hmotnost kotle: | 537 kg |
| Průměr odtahového hrdla: | 150/152 mm |
| Min. teplota vratné vody: | 65 °C |
| Max. provozní teplota: | 90 °C |
| Nejvyšší pracovní přetlak v soustavě: | 2,5 bar |
| Provozní komínový tah: | 23 Pa |
| Spotřeba paliva při jmenovitém výkonu: | 7,6 kg/h |
| Teplota spalin při jmenovitém výkonu u pelet: | 139 °C |
| Teplota spalin při jmenovitém výkonu u dřeva: | 177 °C |
| Vodní objem kotle: | 109 l |
| Doba hoření při jmenovitém výkonu: | 2 hod |
| Palivo: | Kusové dříví, pelety o průměru 6 – 8 mm |
| Délka polen: | 530 mm |
Hodnocení produktu
Buďte první, kdo napíše příspěvek k této položce.
Pouze registrovaní uživatelé mohou vkládat hodnocení. Prosím přihlaste se nebo se registrujte.
Diskuze
Buďte první, kdo napíše příspěvek k této položce.
Firma ATMOS
Atmos je rodinná česká firma a v současnosti jeden z největších evropských výrobců kotlů na pevná (tuhá) paliva. Firma exportuje více než 60 % své produkce do zahraničí, především do Německa, Rakouska, Švédska, Itálie, Francie, Rumunska, Polska, Bulharska, Dánska, Slovenska, Litvy, Lotyšska, Ukrajiny, Běloruska, Španělska, Velké Británie atd.
Sortiment zahrnuje kotle na pevná (tuhá) paliva, zplynovací kotle na dřevo od 15 do 150 kW, zplynovací kotle na hnědé uhlí (a dřevo) od 16 do 48 kW, zplynovací kotel na hnědouhelné brikety a černé uhlí o výkonu 16 a 26 kW, automatické kotle na pelety od 4,5 do 80 kW a kombinované kotle na zplynování dřeva v kombinaci s hořákem na pelety ve výkonech od 20 do 35 kW. Výrobky firmy Atmos vzbudily velký zájem mezi uživateli topícími dřevem a instalatéry, pro svou dobrou funkčnost, kvalitu a v neposlední řadě, velice příznivou cenu.









