STIEBEL ELTRON SBB 301 WP nepřímotopný zásobník 300l, 1 výměník, stacionární, pro TČ
Kód: 120070078507950008


Detailní popis produktu
Tady je překlad technických parametrů:
- Průměr s tepelnou izolací: 700 mm
- Výška: 1710 mm
- Jmenovitý objem: 300 l (litry)
- Přepravní výška: 1750 mm
- Hmotnost: 156 kg
- Přírubový otvor: 210 mm
- Tloušťka tepelné izolace: 75 mm
- Tepelná ztráta/24 h při 65 °C: 2,1 kWh
- Plocha - výměník nahoře: 3,2 m2
- Třída energetické účinnosti: C
- Sériová antikorozní ochrana: Anoda
- Speciální výměník tepla pro provoz s tepelným čerpadlem
- Možnost vestavby přírubových výměníků WTW, WTFS a elektrických přírub FCR
- Hrdlo pro instalaci šroubovacího topného tělesa: 1 x G 11
- Dovolený provozní tlak: 10 barů
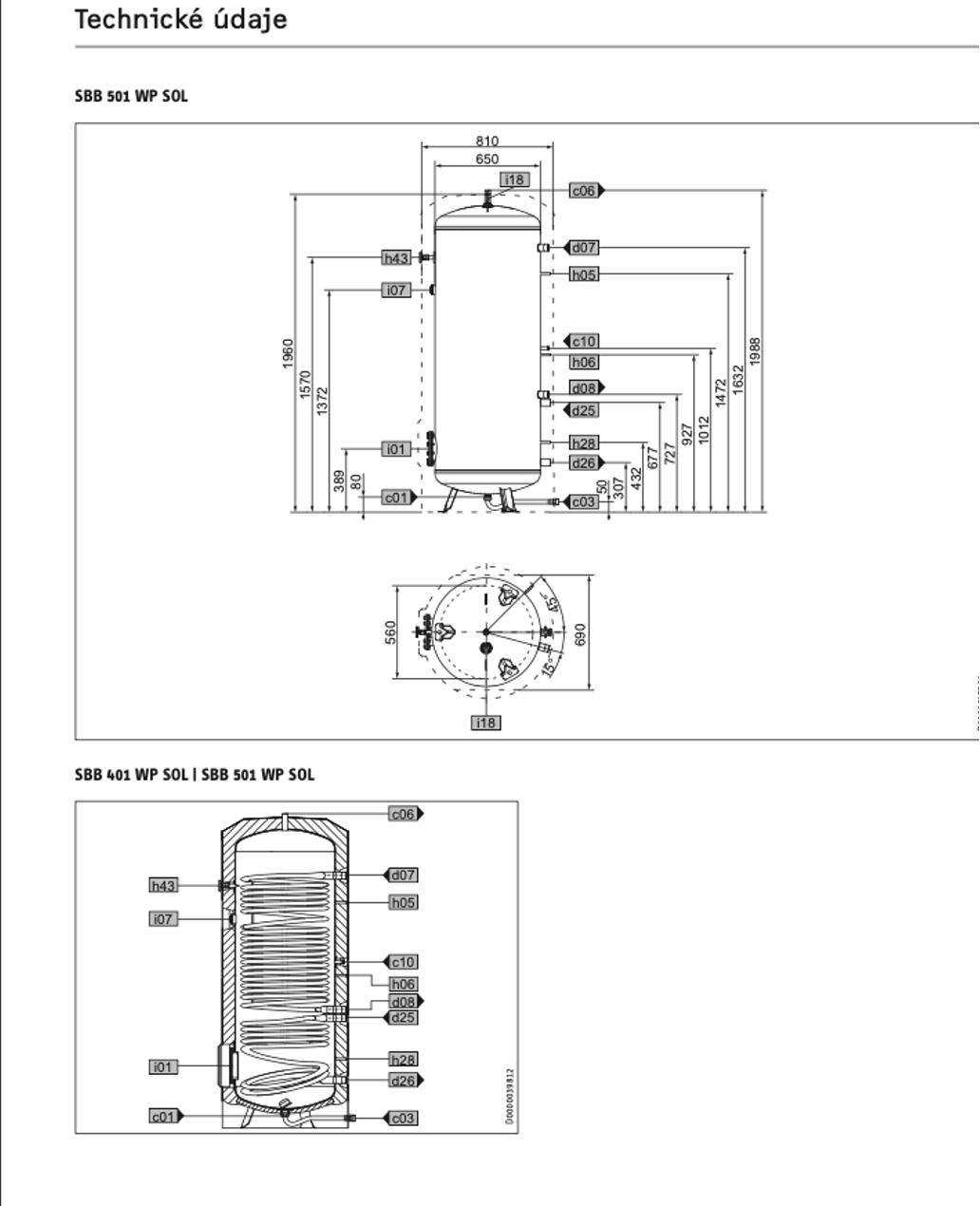
Stacionární zásobník na teplou vodu SBB 301/302 WP pro tepelná čerpadla a SBB 401/501 WP SOL navíc pro solární podporu ohřevu vody. Vnitřní výměníky s hladkostěnným výměníkem jsou opatřeny emailem a jsou odolné proti vodnímu kameni. Sériově je instalováno čidlo teploty PTC, teploměr, magnéziová ochranná anoda se signalizací potřeby k optimální antikorozní ochraně a zaslepovací příruba. Tepelná izolace formou přímého nástřiku pěny PU zajišťuje minimální tepelné ztráty a je chráněna kvalitní vnější plastovou vrstvou. Plastový vnější plášť je čistě bílý, víka a kryty jsou v barvě šedé. Zásobník je dodáván přišroubovaný na dřevěné paletě.


Obecný popis: Nepřímotopný zásobník STIEBEL ELTRON SBB 301 WP s objemem 300 litrů je určen pro skladování teplé vody získané z tepelného čerpadla. Jedná se o součást systému vytápění a ohřevu vody, která slouží k udržení teploty vody a její distribuci do potřebných zařízení.
Popis funkčnosti produktu: Zásobník je vybaven jedním výměníkem tepla, který umožňuje přenos tepla z tepelného čerpadla do vody uložené v zásobníku. Stacionární design zajišťuje trvalé umístění zásobníku na vhodném místě v domě či objektu.
3 výhody produktu:
- Velký objem: S kapacitou 300 litrů poskytuje dostatečný skladovací prostor pro teplou vodu, což je ideální pro domy s vyšším spotřebním profilem.
- Efektivní přenos tepla: Jedným výměníkem tepla zajišťuje rychlý a efektivní přenos tepla z tepelného čerpadla do vody, což minimalizuje energetické ztráty.
- Stacionární design: Zásobník má pevnou konstrukci a je určen k trvalému umístění, což usnadňuje instalaci a minimalizuje potřebu údržby.

Doplňkové parametry
| Kategorie: | Pro tepelné čerpadlo |
|---|---|
| Záruka: | 2 roky |
| Hmotnost: | 150 kg |
| Šířka ohřívače (mm): | 700 |
| Výška ohřívače (mm): | 1710 |
| Objem nádrže ohřívače (l): | 300 |
| Materiál zásobníku: | smalt |
| Hloubka ohřívače (mm): | 700 |
| Instalace ohřívače: | stacionární |
| Počet výměníků ohřívače: | 1 |
| Výrobce: | Stiebel Eltron |
Buďte první, kdo napíše příspěvek k této položce.
Buďte první, kdo napíše příspěvek k této položce.
Společnost STIEBEL ELTRON spol. s r. o. byla založena v roce 1991 a rozvíjela své obchodní aktivity na českém trhu v oblastech elektrického ohřevu vody a vytápění.
V současné době nabízí STIEBEL ELTRON na českém trhu technicky vyspělé produkty, které splňují nároky na ekologický i ekonomický provoz v oblasti elektrického ohřevu vody a vytápění, tepelných čerpadel a větracích jednotek s rekuperací tepla.
Produkty z nabídky STIEBEL ELTRON získaly řadu prestižních ocenění na oborových výstavách a veletrzích, jakož i uznání v odborných kruzích. K dobrému jménu společnosti přispívá, mimo osvědčené kvality výrobků, i spolehlivé zázemí servisu, dobré partnerské vztahy se svými klienty a rozsah doprovodných služeb a podpor.
Značka STIEBEL ELTRON znamená v Evropě již po desetiletí pojem pro kvalitu, náročné technologie a spolehlivý servis. Při vývoji přístrojů je dbáno důsledně na to, aby všechny použité materiály odpovídaly požadavkům ochrany životního prostředí. Kvalita přístrojů je zabezpečena mnoha zkouškami ve všech etapách výroby přístroje. Dokládají ji i mezinárodně uznávané certifikáty kontroly jakosti výroby ISO 9000 a 9001. Již na první pohled je patrné, že vzhled nových výrobků navrhují zkušení výtvarníci v oblasti designu.
Všechna tepelná čerpadla STIEBEL ELTRON obdržela certifikát nezávislé mezinárodní testovací agentury Gütesiegel se sídlem ve Švýcarsku. Tato agentura hodnotí nejen technické parametry výrobků, ale úroveň technické dokumentace, podporu montážních firem, servis a mnoho dalších kritérií. Kritéria byla stanovena společně národními organizacemi zabývajícími se podporou tepelných čerpadel v Německu, Rakousku a Švýcarsku (D-A-CH).
Společnost STIEBEL ELTRON spol. s r. o. je členem Asociace odborných velkoobchodů a výrobců TZB, Asociace pro využití tepelných čerpadel, Centra pasivního domu a Svazu klimatizační a chladící techniky.
