Atmos DC 25 S s úpravou pro hořák
Kód: 2204


Související produkty
Detailní popis produktu
Zplynovací kotle ATMOS s úpravou pro hořák jsou moderním řešením, kdy do vrchních dvířek standardního zplynovacího kotle zabudujeme hořák na pelety ATMOS A25/A45. Hořák je nutno objednat zvlášť.
Vytvoříme tak kotel na pelety přímo na míru s automatickým zapalováním paliva.
Výhody zabudování hořáku do standardního kotle
- Jednoduché a cenově přijatelné řešení
- Možnost vytápět komfortně peletami bez ručního přikládání
- Velký zásobník na pelety 240 – 1000 l / textilní zásobní, část kotelny jako zásobník = doplňování paliva jednou za 7 a 14 dní / jednou za rok
- Pohodlné a bezprašné vybírání popela s odtahovým ventilátorem jednou za 7 až 30 dní
- Automatické zapalování pelet zapalovací spirálou u hořáku již v základu
- Vysoká účinnost 89 až 92 % podle typu paliva a kotle a nastaveného výkonu = velká úspora nákladů na vytápění
- Ekologické spalování – kotle dle ČSN EN 303-5 třídy 5, EKODESIGN 2015/1189
- Chladící smyčka proti přetopení = bez rizika poškození kotle
- Automatické vypnutí kotle po dohoření paliva
- Malé rozměry a moderní design
Kotle s úpravou jsou vybaveny z výroby veškerým potřebným příslušenstvím pro snadné řízení kotle (hořáku) podle potřeb zákazníka a dvou teplot (čidel) na vyrovnávací nádrži TV a TS.
(Od výrobního čísla kotle 327 700 jsou kotle vybaveny: 2x modul AD03, přepínací vypínač, čidlo teploty kotle TK (KTF 20), čidla TV a TS (2x KTF20 – 5 m), termostatem na čerpadlo 70 °C, vývod pro čerpadlo v kotlovém okruhu.)
Hořák na pelety ATMOS A25 lze použít pro všechny zplynovací kotle do výkonu 40 kW (mimo DC50S – 45 kW s hořákem ATMOS A45), vybavené odtahovým ventilátorem (mimo modelů DCxxGD, DCxxGS, DCxxGSX).
Zásobník na pelety a typ dopravníku zvolíme podle velikosti kotelny a tepelných ztrát objektu.
Standardně jsou v této variantě vyráběny tyto modely:
rozsah výkonu – původní palivo dřevo / pelety
- DC18S s úpravou pro hořák 20 / 6 – 20 kW
- DC22S s úpravou pro hořák 22 / 7 – 24 kW
- DC25S s úpravou pro hořák 27 / 7 – 24 kW
- DC30SX s úpravou pro hořák 30 / 7 – 24 kW
- DC32S s úpravou pro hořák 35 / 7 – 24 kW
- DC50S s úpravou pro hořák 49,9 / 13,5 – 45 kW (pro tento kotel je určen hořák ATMOS A45)
rozsah výkonu – původní palivo uhlí / pelety
- C15S s úpravou pro hořák 16 / 3 – 12 kW
- C18S s úpravou pro hořák 20 / 6 – 20 kW
- C25ST s úpravou pro hořák 25 / 7 – 24 kW
- C32ST s úpravou pro hořák 32 / 7 – 24 kW
- AC25S s úpravou pro hořák 26 / 6 – 20 kW
Kotle jsou zkonstruovány tak, že těleso kotlů je vyrobeno jako svařenec z kvalitních ocelových plechů o síle 3 až 8 mm, které se skládá:
- Vrchní komora (6 mm) je opatřena dvířky s otvorem pro zabudování hořáku na pelety.
- Spodního prostoru je vybaven zplynovací tryskou nebo otočným litinovým roštem pro snadné odstranění popela. Keramické tvarovky podporují ideální vyhoření všech spalitelných látek s vysokou účinností při ekologicky šetrném spalování a slouží i jako popelník.
- Kotel DC18S s úpravou pro hořák s kompaktní nádrží na pelety AZPU 400 C Design (400 l)
- Kotel C15S s úpravou pro hořák s kompaktní nádrží na pelety AZPU 240
- Kotel DC18S s úpravou pro hořák s dopravníkem DA2000 (2 m) a nádrží na pelety 500 l
Technické informace
| Technické údaje | Typ kotle s úpravou |
|||||||||||
|---|---|---|---|---|---|---|---|---|---|---|---|---|
| DC18S | DC22S | DC25S | DC30SX | DC32S | DC50S | C15S | C18S | C25ST | C32ST | AC25S | ||
| Výkon kotle na dřevěné pelety | kW | 6 – 20 | 7 – 24 | 7 – 24 | 7 – 24 | 7 – 24 | 13,5 – 45 | 3 – 12 | 6 – 20 | 7 – 24 | 7 – 24 | 4 – 20 |
| Výkon kotle na původní palivo | kW | 20 | 22 | 27 | 30 | 35 | 49 | 16 | 20 | 25 | 32 | 25 |
| Předepsaný tah komína | Pa/mbar | 18/0,18 | 23/0,23 | 23/0,23 | 24/0,24 | 25/0,25 | 25/0,25 | 16/0,16 | 20/0,20 | 23/0,23 | 25/0,25 | 20/0,20 |
| Hmotnost kotle | kg | 283 | 324 | 326 | 335 | 345 | 433 | 276 | 298 | 379 | 415 | 297 |
| Objem vody | l | 45 | 58 | 58 | 58 | 80 | 89 | 37 | 45 | 68 | 74 | 45 |
| Obsah násypky | dm3 (l) | 60 | 95 | 95 | 95 | 135 | 180 | 45 | 60 | 90 | 110 | 60 |
| Připojovací napětí | V/Hz | 230/50 | 230/50 | 230/50 | 230/50 | 230/50 | 230/50 | 230/50 | 230/50 | 230/50 | 230/50 | 230/50 |
| Max. délka dřeva | mm | 330 | 530 | 530 | 530 | 530 | 730 | 250 | 330 | 330 | 430 | 330 |
| Původní palivo | dřevo | dřevo | dřevo | dřevo | dřevo | dřevo | uhlí (dřevo) | uhlí (dřevo) | uhlí (dřevo) | uhlí (dřevo) | uhlí (dřevo) | |
| Předepsané palivo (preferované) | Kvalitní dřevěné pelety o ø 6 – 8 mm (bílé pelety) | |||||||||||
| Minimální teplota vratné vody | °C | 65 | ||||||||||
| Účinnost | % | 91,5 | 91,2 | 91,2 | 91,2 | 91,8 | 90,4 | 90,1 | 91,5 | 91,1 | 92,4 | 91,5 |
| Třída kotle dle ČSN EN 303-5 | 5 | 5 | 5 | 5 | 5 | 5 | 5 | 5 | 5 | 5 | 5 | |
| Třída energetické účinnosti | A+ | A+ | A+ | A+ | A+ | A+ | A+ | A+ | A+ | A+ | A+ | |
| EKODESIGN | ||||||||||||
| Dotované kotle v ČR | ||||||||||||
| Hořák | A25 | A25 | A25 | A25 | A25 | A45 | A25 | A25 | A25 | A25 | A25 | |
Instalace
Při instalaci hořáku do vrchních dvířek zplynovacího kotle, je nutné použít dopravník o minimální délce 2 metry, tak aby délka hadice mezi dopravníkem a hořákem byla minimálně 20 cm z důvodu bezpečnosti.
Optimální délka hadice je však cca 40 cm, tak aby bylo možné snadno otevřít dvířka s hořákem na pelety při čištění spalovací komory.
- Legenda: 1 – Komín | 2 – Kouřovod | 3 – Kotel | 4 – Hořák | 5 – Dopravník | 6 – Zásobník
- Schéma instalace dopravníku pelet
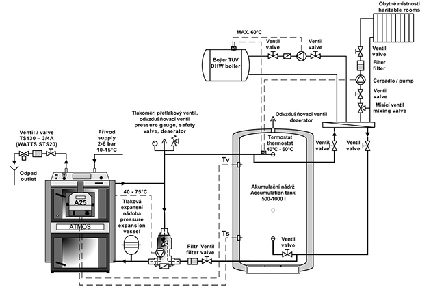
Doporučené zapojení
Doporučeným zapojením kotle je zapojení s Laddomatem 22 nebo termoregulačním ventilem a vyrovnávací nádrží o objemu 500 nebo 1000 l pro docílení nízké spotřeby paliva a vysoké životnosti hořáku a kotle. Pro další úsporu paliva (až 20 %) a správnou funkci nabíjení vyrovnávací nádrže použijte speciálně vyvinutou regulaci ATMOS ACD 03 nebo čidla TV a TS, které jsou určeny pro speciální funkce hořáku ATMOS A25 a jsou umístěny na vyrovnávací (akumulační) nádrži. Řídící jednotka si hlídá natopení vyrovnávací (akumulační) nádrže zcela automaticky a zaručuje vždy dostatek energie pro topný systém. Tento způsob zapojení vám uspoří palivo, elektrickou energii a zvýší životnost hořáku na pelety.
INFO – Od 1. 3. 2017 jsou kotle s úpravou pro hořák vybaveny z výroby dvěma moduly AD03, přepínacím vypínačem, čidlem teploty kotle TK (KTF 20), termostatem na čerpadlo 70 °C a vývodem s konektorem pro čerpadlo v kotlovém okruhu.
Čidlo TK zasunuté v jímce kotle (z výroby), čidla TV a TS (příslušenství kotle od 1.3.2019) v jímkách na akumulační nádrži, vše společně zapojeno přímo do konektoru hořáku. Moduly (2x AD03) vloženy pod přístrojovou kapotu kotle a zapojeny na svorkovnici kotle. Oba moduly AD03 ovládají odtahový ventilátor kotle a čerpadlo v kotlovém okruhu.
Provedení kotlů 2016 obsahují pouze jeden modul AD02 pro ovládání odtahového ventilátoru.
- Zapojení kotle s hořákem ATMOS A25/A45
- Zapojení kotle s hořákem A25/A45 a elektronickou regulaci ACD01
Zplynovací kotle ATMOS s úpravou pro hořák na pelety A25 / A45 je možné si objednat přímo z výroby v levém nebo pravém provedení. Úpravu je možné provést pouze u kotlů vybavených odtahovým ventilátorem do výkonu 40/50 kW (mimo typu DCxxGS, DCxxGD). V případě, že budete chtít hořák zabudovat do již nainstalovaného kotle ATMOS, je možné si objednat speciální sadu pro jeho přestavbu. Sada se skládá z kompletních upravených dvířek, speciální elektroinstalace a příslušenství o 23 položkách.
Kotle s úpravou MODEL od 2017 jsou vybaveny (od výrobního čísla kotle 327 700): 2x modul AD03 pro ovládání odtahového ventilátoru kotle a čerpadla v kotlovém okruhu, přepínací vypínač, čidlo teploty kotle TK (KTF 20), čidla TV a TS (2x KTF20 – 5 m) pro řízení provozu podle dvou teplot na vyrovnávací (akumulační) nádrži, termostatem na čerpadlo 70 °C, vývod pro čerpadlo v kotlovém okruhu.
Sada pro zabudování hořáku na pelety do vrchních dvířek
- s pravým otvíráním – hořáku A25 – kód: S0532 – staré provedení s AD02
- s levým otvíráním – hořáku A25 – kód: S0533 – staré provedení s AD02
- s pravým otvíráním – hořáku A25 – kód: S1222 – model 2017-2020
- s levým otvíráním – hořáku A25 – kód: S1223 – model 2017-2020
- s pravým otvíráním – hořáku A45 – kód: S0624 – staré provedení s AD02
- s levým otvíráním – hořáku A45 – kód: S0625 – staré provedení s AD02
- s pravým otvíráním – hořáku A45 – kód: S1224 – model 2017-2020
- s levým otvíráním – hořáku A45 – kód: S1225 – model 2017-2020
Hořáky
Hořák na pelety ATMOS A25

Předepsané palivo: kvalitní dřevěné pelety (bílé) o průměru 6 až 8 mm, délce 5 až 25 mm a výhřevnosti 16 – 19 MJ.kg-1.
Displej hořáku: slouží k zobrazení aktuálního stavu hořáku a k nastavení jeho funkcí
Řízení hořáku: elektronickou regulací AC07X, která ovládá chod externího dopravníku, dvou zapalovacích spirál a ventilátoru dle požadavků kotle a topného systému. Elektronika je jištěná bezpečnostním termostatem kotle, bezpečnostním termostatem na přívodu pelet do hořáku, snímačem otáček ventilátoru a fotocelou pro snímání plamene. Chod hořáku je signalizován na displeji elektronické regulace.
Zapalování paliva: automatické za pomoci dvou elektrických zapalovacích spirál.
Základní funkce hořáku:
Rezervní výstupy R a R2 pro ovládání odtahového ventilátoru kotle a čerpadla v kotlovém okruhu (zapojeno z výroby)
Možnost zapojení čtyř různých čidel TS, TV, TK a TSV
TK – čidlo teploty kotle (zapojeno z výroby)
TSV – čidlo tepoty spalin (zapojeno z výroby)
TS – čidlo spodní teploty na nádrži
TV – čidlo vrchní teploty na nádrži
- řízení ventilátoru kotle z hořáku za pomoci rezervního výstupu (R) (zapojeno z výroby)
- řízení kotlového čerpadla z hořáku za pomoci rezervního výstupu (R2) (zapojeno z výroby)
- řízení hořáku podle dvou teplot na vyrovnávací nádrži
Dávkování paliva: pro tento hořák jsou určeny speciální šnekové dopravník DA1500 – 4000.
Hořák na pelety ATMOS A45

Předepsané palivo: kvalitní dřevěné pelety (bílé) o průměru 6 až 8 mm, délce 5 až 25 mm a výhřevnosti 16 – 19 MJ.kg-1.
Displej hořáku: slouží k zobrazení aktuálního stavu hořáku a k nastavení jeho funkcí
Řízení hořáku: elektronickou regulací AC07X, která ovládá chod externího dopravníku, dvou zapalovacích spirál a ventilátoru dle požadavků kotle a topného systému. Elektronika je jištěná bezpečnostním termostatem kotle, bezpečnostním termostatem na přívodu pelet do hořáku, snímačem otáček ventilátoru a fotocelou pro snímání plamene. Chod hořáku je signalizován na displeji elektronické regulace.
Zapalování paliva: automatické za pomoci dvou elektrických zapalovacích spirál.
Základní funkce hořáku:
Rezervní výstupy R a R2 pro ovládání odtahového ventilátoru kotle a čerpadla v kotlovém okruhu (zapojeno z výroby)
Možnost zapojení čtyř různých čidel TS, TV, TK a TSV
TK – čidlo teploty kotle (zapojeno z výroby)
TSV – čidlo tepoty spalin (zapojeno z výroby)
TS – čidlo spodní teploty na nádrži
TV – čidlo vrchní teploty na nádrži
- řízení ventilátoru kotle z hořáku za pomoci rezervního výstupu (R) (zapojeno z výroby)
- řízení kotlového čerpadla z hořáku za pomoci rezervního výstupu (R2) (zapojeno z výroby)
- řízení hořáku podle dvou teplot na vyrovnávací nádrži
Dávkování paliva: pro tento hořák jsou určeny speciální šnekové dopravníky typu DRA.
Doplňkové parametry
| Kategorie: | Zplynovací kotle na dřevo |
|---|---|
| Záruka: | 2 roky |
| Hmotnost: | 326 kg |
| Výkon kotle na pelety: | 7-24 kW |
| Výkon kotle na původní palivo: | 27 kW |
| Předepsaný komínový tah: | 23 Pa |
| Hmotnost kotle: | 326 kg |
| Objem vody v kotli: | 58 l |
| Objem násypky: | 95 l |
| Připojovací elektrické napětí: | 230/50 V/Hz |
| Maximální délka polen: | 530 mm |
| Původní palivo: | dřevo |
| Předepsané palivo pro hořák: | dřevěné pelety 6-8 mm (bílé pelety) |
| Minimální teplota vratné vody: | 65 °C |
| Účinnsot při jmenovitém výkonu: | 91,2 % |
| Třída kotle dle ČSN EN 303-5: | 5 |
| EKODESIGN: | Splňuje |
| Hořák: | Atmos A25 |
Hodnocení produktu
Buďte první, kdo napíše příspěvek k této položce.
Pouze registrovaní uživatelé mohou vkládat hodnocení. Prosím přihlaste se nebo se registrujte.
Výpis hodnocení
Diskuze
Buďte první, kdo napíše příspěvek k této položce.
Firma ATMOS
Atmos je rodinná česká firma a v současnosti jeden z největších evropských výrobců kotlů na pevná (tuhá) paliva. Firma exportuje více než 60 % své produkce do zahraničí, především do Německa, Rakouska, Švédska, Itálie, Francie, Rumunska, Polska, Bulharska, Dánska, Slovenska, Litvy, Lotyšska, Ukrajiny, Běloruska, Španělska, Velké Británie atd.
Sortiment zahrnuje kotle na pevná (tuhá) paliva, zplynovací kotle na dřevo od 15 do 150 kW, zplynovací kotle na hnědé uhlí (a dřevo) od 16 do 48 kW, zplynovací kotel na hnědouhelné brikety a černé uhlí o výkonu 16 a 26 kW, automatické kotle na pelety od 4,5 do 80 kW a kombinované kotle na zplynování dřeva v kombinaci s hořákem na pelety ve výkonech od 20 do 35 kW. Výrobky firmy Atmos vzbudily velký zájem mezi uživateli topícími dřevem a instalatéry, pro svou dobrou funkčnost, kvalitu a v neposlední řadě, velice příznivou cenu.











