Atmos D15PX
Kód: 2200


Související produkty
Detailní popis produktu
Kotle jsou konstruovány pro elektronicky řízené spalování pelet s automatickým zapalováním paliva. Hořák na pelety je zabudován v přední části kotle ve dvířkách spodní spalovací komory. Tato komora je vyložena keramickými tvarovkami pro ideální dohoření plamene s vysokou účinností a slouží také jako prostor pro popel. V zadní části kotle je umístěn trubkový výměník osazený segmentovými brzdiči s funkcí hrubého (provozního) čištění bez nutnosti jejich vyndávání.
Těleso kotlů je vyrobeno jako svařenec z ocelových plechů o síle 3 – 5 mm. Zvenčí tepelně izolováno minerální plstí a sibralovou izolací, vloženou pod plechové kryty vnějšího pláště kotlů. Ve vrchní části je umístěn zásobník paliva, ze kterého jsou pelety dopravovány do hořáku pomocí šnekového dopravníku. Dávkování paliva je řízeno zcela automaticky. V přední části kotlů je panel s hlavním vypínačem, vypínačem hořáku na pelety (L2) pro případ čištění, provozním (kotlovým regulačním) termostatem, bezpečnostním termostatem, teploměrem a pojistkou 6,3 A. Kotle DxxPX jsou vybaveny odtahovým ventilátorem (mimo D10PX). Kotel není vybaven chladící smyčkou proti přetopení, neboť díky malému množství paliva v hořáku nehrozí přetopení kotle při výpadku elektrické energie.
Výhody speciálních kompaktních kotlů ATMOS nové konstrukce
- Kompaktní rozměry pro malé kotelny
- Vše v jednom – kotel a zásobník na pelety, dopravník a hořák
- Velká keramická spalovací komora
- Odtahový ventilátor – (mimo D10PX)
- Trubkový výměník s možností provozního čištění
- Vysoká účinnost nad 90 %
- Velký komfort vytápění – plně automatický provoz kotle
- Pohodlné vybírání popela – jednoduché čištění pouze zepředu
- Malé rozměry a nízká hmotnost
- Možnost osazení kotle pneumatickou dopravou pelet
- Možnost osazení hořáku pneumatickým čištěním
- Ekologické spalování – kotle dle ČSN EN 303-5 třídy 5, EKODESIGN 2015/1189
Topení peletami
Většina z nás už má nějaké zkušenosti s topením dřevem nebo dřevěnými briketami a to buď v kotlích či krbech. Tyto paliva jsou ve většině míst dostupná za více či méně slušné ceny. Novinkou, kterou ne každý zná jsou tzv. pelety, které se vyrábějí podobným způsobem jako dřevěné brikety, a to lisováním z odpadního dřeva (suchých pilin a hoblin) bez jakéhokoliv pojiva pod vysokým tlakem. Za kvalitní pelety považujeme pelety vyráběné pouze z měkkého dřeva bez kůry, tzv. bílé pelety, které nám zaručí bezproblémový a spolehlivý chod kotle. V dnešní době se však objevují výrobci, kteří přidávají do pelet biologická pojiva pro větší pevnost, především pro pneumatickou dopravu. Tyto pelety lze spalovat, ale je nutné počítat s vetší popelnatostí a nedopalem.
Pelety lze stejným způsobem vyrábět i z tvrdého dřeva nebo ze dřeva s kůrou. Vznikají tak tmavé pelety, které se spékají a způsobují u většiny hořáků velké problémy. V hořácích naší firmy je možné tyto pelety spalovat, ale je nutné čistit spalovací komoru hořáku jednou za den. Při spalování kvalitních pelet bez pojiv a kůry provádíme čištění spalovací komůrky hořáku jednou za 7 a 30 dní. Obdobné nebo dokonce ještě větší problémy nastávají při spalování pelet ze slámy a různých biologických odpadů, jako je makovina, cukrovarnické řízky, odpady z obilí atd. Tyto pelety obsahují vysoké množství chlóru a dusíku, a tak prudce zkracují životnost tělesa kotle, keramiky a komína. Proto vám je nemůžeme doporučit spalovat. Nejrozšířenější velikostí kvalitních dřevěných pelet je dnes průměr 6 a 8 mm a délce od 10 do 25 mm. Výhřevnost pelet je zhruba od 16 do 19 MJ/kg podle typu paliva.
Pelety jsou v Čechách zatím dodávány nejčastěji v igelitových pytlích po 15 kg, nebo v žocích po 1000 kg. V zahraničí, ale nově i v Čechách jsou pelety dopravovány za pomocí cisteren z kterých vám palivo natankují do libovolného zásobníku, stejně jako u LTO. Je však nutné dodržet několik zásad, které zabraňují jejich rozdrcení při pneumatické dopravě. Především je nutné zabránit, aby nedopadaly přímo na tvrdou stěnu zásobníku, ale na plentu, která je zavěšena ve středu zásobníku od stropu. Zabezpečíme tak rovnoměrné plnění zásobníku a zamezíme jejich drcení na drobné pelety a prach. Důležité je však, aby pelety byly uskladněny v suchém prostoru, proto aby se nerozpadly.
- Ovládací panel a propojovací hadice od dopravníku
- Otevřený zásobník pelet o objemu 65 l / 175 l / 215 l
- Trubkový výměník s brzdiči
- Otevřená spalovací komora s hořákem ATMOS A25
- Spalovací komora s keramickými tvarovkami
- Odtahový ventilátor (mimo D10PX) a kouřové hrdlo
Instalace
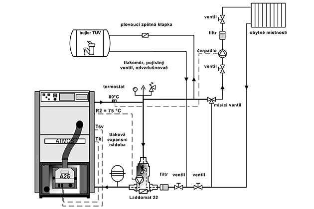
Předepsaným řešením je zapojení kotle s Laddomatem 22 nebo termoregulačním ventilem, který umožňuje vytvoření odděleného kotlového a topného (primárního a sekundárního) okruhu, tak abychom zajistili minimální teplotu vratné vody do kotle 65 °C. Čím vyšší bude teplota vratné vody do kotle, tím méně bude kondenzovat dehtů a kyselin, které poškozují těleso kotle.
Teplota výstupní vody z kotle musí být trvale v rozsahu 80 – 90 °C.
Další variantou je zapojení kotle s trojcestným mísícím ventilem a servopohonem řízeným z regulace (např. ACD 03, ACD 04) pro udržení minimální teploty vratné vody do kotle (65 – 75 °C).
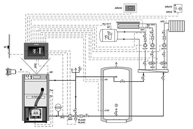
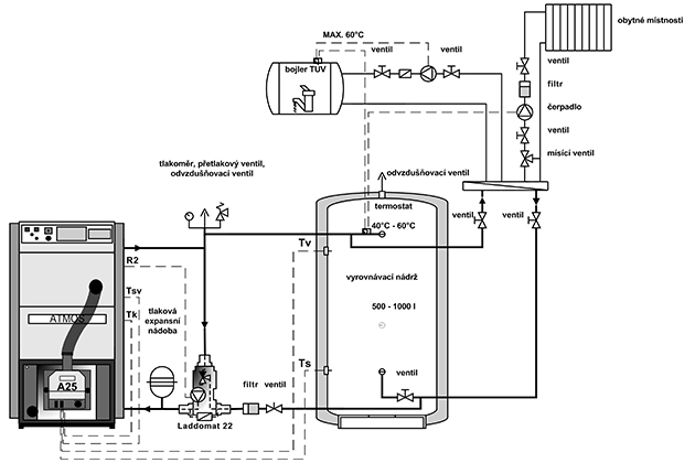
Kotle D10PX, D15PX, D20PX a D25PX doporučujeme vždy zapojit s vyrovnávací nádrží o objemu 500 až 1000 l. Při zapojení kotle s vyrovnávací (akumulační) nádrží je kotel nejlépe řízen podle dvou čidel TS a TV umístěných na nádrži. Pro ovládání hořáku pomocí dvou teplot na vyrovnávací (akumulační) nádrži je nutné tuto nádrž osadit dvěma čidly KTF 20 (čidla TV a TS).
- Laddomat 22
- Zapojení kotle DxxPX s vyrovnávací nádrží
- Zapojení kotle DxxPX s vyrovnávací nádrží a regulací ACD03
- Možné zapojení kotle DxxPX bez vyrovnávací nádrže a řízení kotlového čerpadla podle teploty kotle (čidla TK) z hořáku A25
- Zapojení kotle s Laddomatem 22 a akumulační nádrží – schéma
Regulace kotlů
Kotle jsou dodávány spotřebiteli se základní regulací výkonu kotle, která splňuje požadavky na komfort topení a jeho bezpečnost. Regulace zajišťuje požadovanou výstupní teplotu vody z kotle (80 – 90 °C). Kotle jsou vybaveny konektorem pro připojení čerpadla v kotlovém okruhu a funkcemi pro jeho ovládání přímo z regulace hořáku ATMOS A25.
Kotle DxxPX jsou z výroby osazeny čidly teploty kotle TK a teploty spalin TSV. Čidlo TK zasunuté v jímce kotle, čidlo spalin TSV zabudované do kouřového kanálu kotle, vše společně zapojeno přímo do konektoru hořáku. Hořák na pelety ATMOS A25 přímo ovládá odtahový ventilátor kotle (rezervou R) a čerpadlo v kotlovém okruhu (rezervou R2). Výstup R2 je z výroby dán do série s termostatem pro čerpadlo v kotlovém okruhu TČ70 °C.
Při doporučeném zapojení kotle s vyrovnávací (akumulační) nádrží je kotel nejlépe řízen podle dvou čidel TS a TV umístěných na nádrži. Spínání čerpadel v systémovém okruhu není v tomto případě závislé na teplotě kotle, proto je řešíme podle potencionálních potřeb systému.
Ovládací panel kotle se standardní regulací
Složení panelu:
Hlavní vypínač, bezpečnostní termostat, teploměr, regulační termostat a spalinový termostat
Elektromechanická regulace je optimálním řešením řízení provozu kotle (ventilátoru) jednoduchým způsobem.
Provedení panelu se standartní regulací je základním provedením pro všechny vyráběné kotle.
Ekvitermní regulace ACD 03
Každý kotel je možné dovybavit moderní dotykovou elektronickou regulací ATMOS ACD 03 pro řízení celého topného systému v závislosti na venkovní teplotě, pokojové teplotě a čase. Tato regulace je schopna řídit i samotný kotel s ventilátorem s mnoha dalšími funkcemi.
Ovládací panel kotle s ekvitermní regulací ATMOS ACD 03
Přikládání paliva
Kotel je vybaven integrovaným zásobníkem paliva, který je nutno doplňovat v intervalu 1 – 3 dny.
Objeví-li se na displeji hořáku alarmové hlášení ALARM PELLETS – DOPLNIT PELETY, je nutné doplnit pelety do zásobníku paliva. Odklopte víko zásobníku ve vrchní části kotle a doplňte pelety. Po doplnění pelet není nutné načerpat pelety do dopravníku! Kotel je vybaven speciální funkcí proti jeho úplnému vyprázdnění.
V případě, že interval doplňování paliva bude pro vaše potřeby příliš krátký, je možné ke kotli dokoupit nástavec zásobníku o výšce 200 mm (45 l pro D10PX – kód: S1343) (65 l pro D15PX a D20PX – kód: S1233) (90 l pro D25PX – kód: S1315) nebo 300 mm (68 l pro D10PX – kód: S1344) (95 l pro D15PX a D20PX – kód: S1234) (135 l pro D25PX – kód: S1316). Nástavce je možné skládat na sebe. Ke kotli je však nutné dokoupit schůdky pro pohodlné doplňování paliva dle všech platných bezpečnostních předpisů.
Ideálním řešením je však doplnění kotle o pneumatickou dopravu pelet ATMOS APS 150 SPX (D10PX) / ATMOS APS 250 SPX (D15PX a D20PX) / ATMOS APS 250 SPX2 (D25PX) pro pohodlné automatické doplňování paliva z libovolného zásobníku, např. na celou sezónu (textilní silo, samostatná místnost).
- Ukázka standardního doplňování pelet z 15 kg pytlů
- Kotel s pneumatickou dopravou pelet ATMOS APS 250 SPX(2)
- Nástavec zásobníku pelet pro kotle DxxPX
- Kotel DxxPX s nástavcem zásobníku 300 mm
Prostor kotelny s kotlem DxxPX a zásobníkem
s vícebodovým nasáváním pelet pneumatickou dopravou ATMOS APS 250 SPX(2)
Čištění kotle
Čištění kotle a hořáku je nutné provádět pravidelně a důkladně jednou za 5 až 14 dnů podle kvality pelet a nastavení výkonu.
Kotle jsou určeny pouze pro kvalitní bílé pelety z měkkého dřeva bez kůry o průměru 6 – 8 mm, o délce 10 – 25 mm a výhřevnosti 16 – 19 MJ.kg-1. Kotel není určen pro pelety, které se spékají ve spalovací komůrce hořáku. V takovém případě je nutné spalovací komůrku hořáku čistit jednou denně nebo lze hořák na pelety ATMOS A25 vybavit pneumatickým čištěním spalovací komůrky. Toto čištění ocení především ti, kteří spalují méně kvalitní pelety, které vytvářejí určité spečence.
Pohodlné vybírání popela – jednoduché čištění pouze zepředu. Popel vybereme z celé spalovací komory pomocí půlkulatého popelníku (příslušenství kotle). Popelník zasuneme do kotle na doraz, přiražením o zadní stěnu popel nahrneme do popelníku a vytáhneme. Popelník v kotli nikdy nenecháváme!
Kotle DxxPX jsou vybaveny funkcí provozního čištění trubkového výměníku. Pro provozní čištění trubkového výměníku a brzdičů použijeme madlo na čistícím víčku v zadní části kotle ukryté pod krytem. Opakovaným vytažením a puštěním madla dojde k oklepání popílku z brzdičů a oškrábání stěn trubkovnice.
- Ukázka vybírání popela pomocí popelníku
- Ukázka provozního čištění trubkového výměníku
Technické informace

| Legenda k nákresu kotle |
|||
| 1. | Těleso kotle | 16. | Hlavní vypínač (červený) |
| 2. | Dvířka čistící | 17. | Regulační (kotlový) termostat |
| 3. | Hořák na pelety ATMOS A25 | 18. | Vypínač hořáku (černý) |
| 4. | Ovládací panel | 19. | Bezpečnostní termostat |
| 5. | Šnekový dopravník | 20. | Pojistka T6,3A/1500 – typ H |
| 6. | Výplň dvířek – Sibral velký s otvorem pro hořák | 21. | Kryt čistícího víčka |
| 7. | Těsnění dvířek 18 x 18 mm | 22. | Ventilátor – odtahový (mimo D10PX) |
| 8. | Uzávěr | 23. | Kondenzátor pro odtahový ventilátor – 1μF |
| 9. | Izolace pod hořák | 24. | Čistící víčko zadního kanálu |
| 10. | Zásobník paliva 65 l (D10PX) / 175 l (D15PX, D20PX) / 215 l (D25PX) | 25. | Víko zásobníku |
| 11. | Trubkový výměník | 26. | Propojovací hadice hořáku – Ø 65 mm – délka 550 mm (D15PX, D20PX, D25PX) – délka 480 mm (D10PX) |
| 12. | Brzdič s čistícím táhlem a madlem | K | hrdlo kouřovodu |
| 13. | Žáruvzdorná tvarovka – dno topeniště + zadní čelo pro D10PX | L | výstup vody z kotle |
| 14. | Žáruvzdorná tvarovka – clona | M | vstup vody do kotle |
| 15. | Teploměr | N | nátrubek pro napouštěcí kohout |
| Rozměry kotlů |
Typ kotle |
|||
| D10PX | D15PX | D20PX | D25PX | |
| A | 1221 | 1411 | 1411 | 1411 |
| B1 | 995 | 1145 | 1145 | 1345 |
| B2 | 1150 | 1447 | 1447 | 1647 |
| C | 594 | 674 | 674 | 674 |
| D | 1012 | 1213 | 1213 | 1213 |
| E | 128/130 | 150/152 | 150/152 | 150/152 |
| G | 140 | 140 | 140 | 140 |
| H | 950 | 1150 | 1150 | 1150 |
| CH | 166 | 166 | 166 | 166 |
| I | 180 | 180 | 180 | 180 |
| J | 6/4″ | 6/4” | 6/4” | 6/4” |
Ke stažení:
Doplňkové parametry
| Kategorie: | Automatické kotle na pelety |
|---|---|
| Záruka: | 2 roky |
| Hmotnost: | 345 kg |
| Jmenovitý výkon: | 4,5-15 kW |
| Výhřevná plocha: | 1,9 m2 |
| Objem palivové šachty: | 175 l |
| Rozměr plnícího otvoru: | 542x480 mm |
| Předepsaný komínový tah: | 15 Pa |
| Max. pracovní přetlak vody: | 2,5 bar |
| Hmotnost kotle: | 345 kg |
| Průměr odtahového hrdla: | 150/152 mm |
| Účinnost kotle: | 92,7 % |
| Třída kotle dle ČSN EN 303-5: | 5 |
| Třída energetické účinnosti: | A+ |
| Teplota spalin při jmenovitém výkonu: | 118 °C |
| Předepsané palivo: | pelety 6-8 mm |
| Průměrná spotřeba paliva: | 3,6 kg/h |
| Objem vody v kotli: | 76 l |
| Připojovací napětí: | 230/50 V/Hz |
Hodnocení produktu
Buďte první, kdo napíše příspěvek k této položce.
Pouze registrovaní uživatelé mohou vkládat hodnocení. Prosím přihlaste se nebo se registrujte.
Diskuze
Buďte první, kdo napíše příspěvek k této položce.
Firma ATMOS
Atmos je rodinná česká firma a v současnosti jeden z největších evropských výrobců kotlů na pevná (tuhá) paliva. Firma exportuje více než 60 % své produkce do zahraničí, především do Německa, Rakouska, Švédska, Itálie, Francie, Rumunska, Polska, Bulharska, Dánska, Slovenska, Litvy, Lotyšska, Ukrajiny, Běloruska, Španělska, Velké Británie atd.
Sortiment zahrnuje kotle na pevná (tuhá) paliva, zplynovací kotle na dřevo od 15 do 150 kW, zplynovací kotle na hnědé uhlí (a dřevo) od 16 do 48 kW, zplynovací kotel na hnědouhelné brikety a černé uhlí o výkonu 16 a 26 kW, automatické kotle na pelety od 4,5 do 80 kW a kombinované kotle na zplynování dřeva v kombinaci s hořákem na pelety ve výkonech od 20 do 35 kW. Výrobky firmy Atmos vzbudily velký zájem mezi uživateli topícími dřevem a instalatéry, pro svou dobrou funkčnost, kvalitu a v neposlední řadě, velice příznivou cenu.




















