Akumulační nádrž s nerezovým výměníkem TV HSK 1000 P
Kód: 14555


Související produkty
Detailní popis produktu
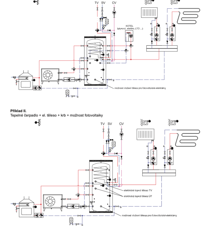
Kombinovaná akumulační nádrž s přípravou teplé vody v nerezovém výměníku TV. Nádrž je vhodná k akumulaci a následné distribuci tepelné energie z tepelných čerpadel. Do nádrže může být připojena i teplovodní krbová vložka nebo jiný kotel. Zdroje tepla je možné výhodně kombinovat. Do nádrže lze nainstalovat 2 elektrická topná tělesa pro vytápění domu a další topné těleso pro přípravu teplé vody pro domácnost. Nádrž umožňuje také montáž topného tělesa pro využití přebytků elektrické energie fotovoltaických elektráren v celém objemu nádrže.
Akumulační nádrž s nerezovým výměníkem TV HSK 1000 P:
Tato akumulační nádrž s nerezovým výměníkem TV HSK 1000 P představuje výkonné zařízení pro skladování a distribuci tepla. S kapacitou 1000 litrů a nerezovým výměníkem tepla poskytuje několik výhod pro efektivní vytápění a využívání obnovitelných zdrojů energie:

-
Rozsáhlá kapacita pro akumulaci: S objemem 1000 litrů tato nádrž nabízí rozsáhlý úložný prostor pro teplo z různých zdrojů, jako jsou solární panely, tepelná čerpadla nebo kotle. Tím umožňuje dlouhodobé ukládání energie pro pozdější využití.
-
Nerezový výměník pro spolehlivý přenos tepla: Nerezový výměník tepla TV HSK 1000 P zajišťuje efektivní a spolehlivý přenos tepla mezi akumulační nádrží a tepelným zdrojem. Nerezový materiál přidává odolnost vůči korozi, což prodlužuje životnost systému.
-
Flexibilita využití energie: Díky kombinaci vysoké kapacity a nerezového výměníku umožňuje tato nádrž flexibilní využívání energie. Umožňuje optimalizaci vytápění a efektivní využití tepla v souladu s proměnlivými potřebami, což vede k úspoře energie a nižším nákladům na provoz.


Doplňkové parametry
| Kategorie: | Regulus |
|---|---|
| Záruka: | 2 roky |
| Hmotnost: | 150 kg |
| EAN: | 8595222648526 |
| Průměr: | 800 mm |
| Výška: | 2080 mm |
| Celkový objem nádrže: | 925 l |
| Rozměry balení: | 80x220x100 cm |
| Hmotnost: | 150 kg |
Buďte první, kdo napíše příspěvek k této položce.
Buďte první, kdo napíše příspěvek k této položce.
Regulus byl založen roku 1992 v Praze a od té doby se podařilo vybudovat stabilní ryze českou firmu, která dnes celkem zaměstnává, i ve svých dceřiných společnostech, přes 120 vynikajících odborníků a kvalifikovaných pracovníků. Přesto se daří v pracovním kolektivu udržet přátelské vztahy rodinné firmy, které mají velmi dobrý vliv na vynikající kvalitu našich výrobků a služeb.
Pod značkou Regulus uvádíme na trh i výrobky významných světových výrobců. Díky našim vlastním zkušebnám můžeme provádět testy nových výrobků. Proto můžeme na základě vlastních zkoušek a měření garantovat vysokou kvalitu a spolehlivost výrobků, které zařazujeme do našeho sortimentu.
Regulus je dynamicky rostoucí společností, která investuje do vývoje nových výrobků a technologií. Snažíme se stále zlepšovat servis našim zákazníkům a poskytovat lepší služby. Našim cílem je nabízet kvalitní výrobky za přijatelné ceny s kvalitním technickým servisem. Díky tomu budou naše systémy vždy správně a efektivně fungovat a přinášet úspory svým majitelům.
