Akumulační nádrž PS 700 N+
Kód: 15138


Související produkty
Detailní popis produktu
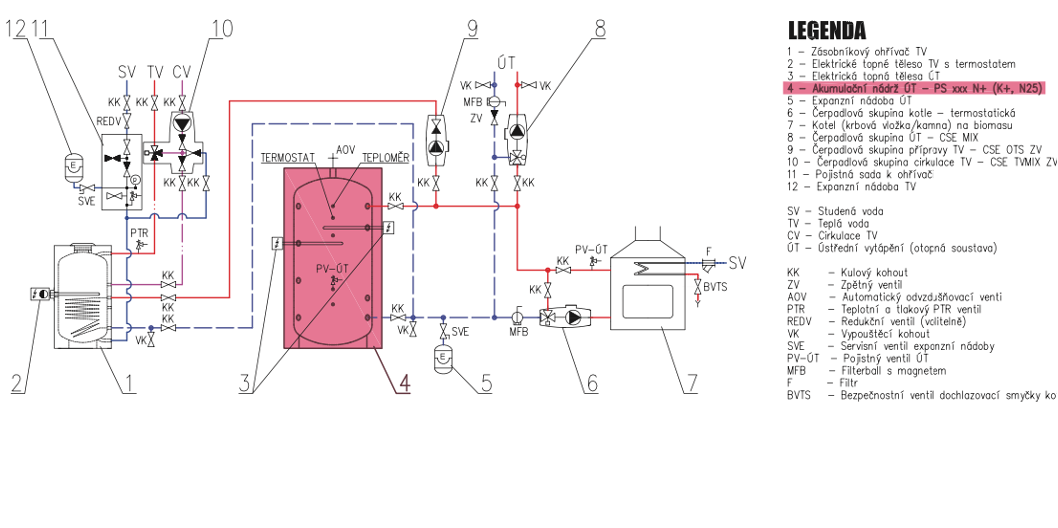
Nádrž určená k akumulaci a následné distribuci tepelné energie z kotlů na pevná paliva, tepelných čerpadel případně jiných zdrojů tepla. Nádrž má 9 návarků G 6/4" pro připojení tepelných zdrojů a zátěží nebo vložení el. topných těles.
Akumulační nádrž PS 700 N+ představuje vrchol efektivity v oblasti vytápění, spojující moderní design s vysokou kapacitou a inteligentními technologiemi. Tato nádrž nejen účinně shromažďuje a uchovává teplo, ale také poskytuje uživatelům plnou kontrolu nad vytápěním, což vede k energetické úspornosti a optimálnímu tepelnému komfortu.

-
Vysoká Kapacita pro Efektivní Shromažďování Tepla: PS 700 N+ disponuje impozantní kapacitou pro účinné shromažďování a uchovávání tepla. Tato vlastnost umožňuje využití energie z různých zdrojů, což zajišťuje trvalý a spolehlivý přísun tepla i v době nízké produkce energie.
-
Inteligentní Řízení a Energetická Úspornost: S moderními technologiemi a inteligentním řízením umožňuje nádrž PS 700 N+ efektivní správu vytápění. Programovatelné nastavení a monitorování spotřeby energie umožňují optimalizaci provozu, což vede k výrazným úsporám nákladů na energii.
-
Robustní Konstrukce pro Dlouhou Životnost: Konstrukce nádrže je navržena s důrazem na odolnost a dlouhou životnost. Tato pevná stavba zajišťuje stabilní výkon a spolehlivost, poskytující uživatelům nejen efektivní, ale i dlouhodobě spolehlivé vytápění.


Doplňkové parametry
| Kategorie: | Regulus |
|---|---|
| Záruka: | 2 roky |
| Hmotnost: | 100 kg |
| EAN: | 8595222653018 |
| Průměr: | 700 mm |
| Výška: | 1955 mm |
| Celkový objem nádrže: | 656 l |
| Rozměry balení: | 80x215x85 cm |
| Hmotnost: | 98 kg |
Buďte první, kdo napíše příspěvek k této položce.
Buďte první, kdo napíše příspěvek k této položce.
Regulus byl založen roku 1992 v Praze a od té doby se podařilo vybudovat stabilní ryze českou firmu, která dnes celkem zaměstnává, i ve svých dceřiných společnostech, přes 120 vynikajících odborníků a kvalifikovaných pracovníků. Přesto se daří v pracovním kolektivu udržet přátelské vztahy rodinné firmy, které mají velmi dobrý vliv na vynikající kvalitu našich výrobků a služeb.
Pod značkou Regulus uvádíme na trh i výrobky významných světových výrobců. Díky našim vlastním zkušebnám můžeme provádět testy nových výrobků. Proto můžeme na základě vlastních zkoušek a měření garantovat vysokou kvalitu a spolehlivost výrobků, které zařazujeme do našeho sortimentu.
Regulus je dynamicky rostoucí společností, která investuje do vývoje nových výrobků a technologií. Snažíme se stále zlepšovat servis našim zákazníkům a poskytovat lepší služby. Našim cílem je nabízet kvalitní výrobky za přijatelné ceny s kvalitním technickým servisem. Díky tomu budou naše systémy vždy správně a efektivně fungovat a přinášet úspory svým majitelům.
